Everything related to Arduino is available under this tab.
Most resources on this website have been taken from http://www.arduino.cc/ which is the official site of Arduino and hence I will reference only the resources that I have taken from other sources.
There are numerous available Arduino Boards to choose from. One of them is Arduino Uno which incorporates ATMega328 Microcontroller.

Pin Configuration
Pin configuration diagram specifies the functions of all pins. The pin configuration of Atmega168 is same as Atmega328. The following diagram also shows the pin mapping on Uno board.

(The above diagram was downloaded from here)

Details of assembling process on breadboard:
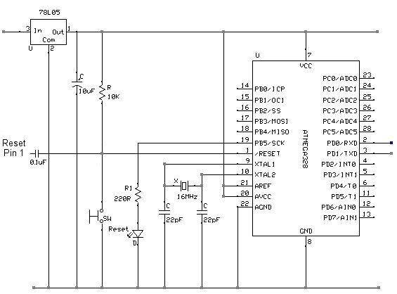
The circuit:
http://www.hobbytronics.co.uk/arduino-atmega328-hardcore

Eagle software is very useful to design schematic (circuit) diagrams. Some tutorial are available at...
https://learn.sparkfun.com/tutorials/using-eagle-schematic
This microcontroller is also available to be bought separately as independent component and that is what we are aiming for. We will buy most components separately and learn to assemble them on a breadboard.

The red led shows the power status.
The crystal is connected between pins 9 and 10 and 22pf capacitors are grounded from both these pins.
7805 power regulator is used to regulate the voltage to 5V.
http://www.sproboticworks.com/ics/ics/7805-ic.html

http://www.tapr.org/gps_pwrsup.html

The following three figures are from ...
https://perhof.wordpress.com/2011/11/19/breadboard-arduinos-and-sparkfun-ftdi-basic-breakout/
The FTDI board is needed to communicate with the microcontroller using USB cable

I like this concept of putting a sticker on the microcontroller as you can see all pin functions and also students can write their name on it to identify that it is their chip.

http://garagelab.com/profiles/blogs/tutorial-how-to-assemble-your-arduino-on-a-breadboard

This can be developed using https://123d.circuits.io/lab